Pakirna oprema: Omatalice i strojevi za pakiranje
1 > Vertikalne omatalice ili pakirke
 |
| |
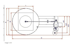
Strojevi za omatanje stretch folije sa pokretnim stolom |
| |
Tip: Omatalica pakirka |
| |
Kod: ECOPLAT BASE FRD |
| |
Promjer prihvatnog stola: 1500 mm (1650 mm–opcija) |
| |
Max. težina palete: 1200 kg |
| |
Max. visina (sa paletom) omatanja : 2200 mm |
| |
Brzina vrtnje: od 4 do 10 okr. / min |
| |
Zatezanje stretch folije: mehaničak kočnica (FRD) |
| |
Promijenjiva brzina izvlačenja role: od 1.4 do 4 m/min |
| |
Napajanje: 230V 1Ph 50/60 Hz |
| |
 |
| |
| Gore / dolje - dizanje role |
| Ubrzanje / usporenje - izvlačenja folije |
| Brzina rotacije stola |
| |
 |
Preuzmite katalog > Omatalica ecoplat |
|
|
|
|
 |
| |
Strojevi za omatanje stretch folije sa pokretnim stolom |
| |
Tip: Omatalica pakirka |
| |
Kod: ECOPLAT BASE FRD TP / utor za paletar |
| |
Promjer prihvatnog stola: 1500 mm (1650 mm–opcija) |
| |
Max. težina palete: 1200 kg |
| |
Max. visina (sa paletom) omatanja : 2200 mm |
| |
Brzina vrtnje: od 4 do 10 okr. / min |
| |
Zatezanje stretch folije: mehaničak kočnica (FRD) |
| |
Promijenjiva brzina izvlačenja role: od 1.4 do 4 m/min |
| |
Napajanje: 230V 1Ph 50/60 Hz |
| |
Polaganje palete: bočno |
| |
|
| |
Opcije: |
| |
FRD – Zatezanje stretch folije mehaničkom kočnicom |
| |
PPS – Ručna izmjena stupnja zatezanja preko zupčanika |
| |
TP – utor za paletar |
| |
|
|
 |
| |
Strojevi za omatanje stretch folije sa pokretnim stolom |
| |
Tip: Omatalica pakirka |
| |
Kod: ROTOPLAT 107 FRD / 107 TP FRD |
| |
Promjer prihvatnog stola: 1650 mm |
| |
Max. težina palete 107FRD/107 TP FRD: 2000kg /1200kg |
| |
Max. visina (sa paletom) omatanja : 2200 mm |
| |
Max. dimenzije: 1200 x 1000 mm |
| |
Brzina vrtnje: od 4 do 12 okr. / min |
| |
Zatezanje stretch folije: mehaničak kočnica (FRD) |
| |
Promijenjiva brzina izvlačenja role: od 1.4 do 4 m/min |
| |
Napajanje: 230V 1Ph 50/60 Hz |
| |
Mekani start : STD / lagani start i zaustavljanje |
| |
 |
|
 |
| |
Karakteristike role stretch folije: |
| |
Max.vanjske dimenzije (dijametar): 300 mm |
| |
Visina role: 500 mm (opcija 750 mm) |
| |
Debljina folije: 17-35 µm |
| |
Unutrašnji promjer (dijametar): 76 mm |
| |
Max. težina role stretch folije: 20 kg |
| |
|
| |
 |
Preuzmite katalog > Omatalica rotoplat |
|
|
| |
| |
Opcije: |
| |
FR – Zatezanje folije elektro-mehaničkom kočnicom |
| |
FS – Varijabilno mehaničko zatezanje stretch folije sa elektro-magnetskom kočnicom / prednatezanja folije 0-200% |
| |
PDS – Držač role sa dvostrukim nateznim sustavom / prednatezanje folije 250 (O 200%, 0 300%) OPT 150, 200, 250, 300% |
| |
PVS – dva motora prednatezanja elektronski upravljana / prednatezanje folije 0-400% |
|
 |
| |
Strojevi za omatanje stretch folije sa pokretnim stolom |
| |
Tip: Omatalica pakirka |
| |
Kod: Rotoplat XL 107 FRD |
| |
Promjer prihvatnog stola: 1800 mm / izvučeni okvir |
| |
Max. težina palete: 2000kg |
| |
Max. visina (sa paletom) omatanja : 2200 mm |
| |
Max. dimenzije: 1200 x 1000 mm |
| |
Brzina vrtnje: od 4 do 12 okr. / min |
| |
Zatezanje stretch folije: mehaničak kočnica (FRD) |
| |
Napajanje: 230V 1Ph 50/60 Hz |
| |
|
| |
 |
|
 |
| |
Karakteristike role stretch folije: |
| |
Max.vanjske dimenzije (dijametar): 300 mm |
| |
Visina role: 500 mm (opcija 750 mm) |
| |
Debljina folije: 17-35 µm |
| |
Unutrašnji promjer (dijametar): 76 mm |
| |
Max. težina role stretch folije: 20 kg |
| |
|
| |
 |
Preuzmite katalog > Omatalica rotoplat |
|
|
| |
| |
Opcije: |
| |
PDS – Držač role sa dvostrukim nateznim sustavom / prednatezanje folije 0-250% |
| |
WT – model sa ugrađenom vagom i display-om |
| |
Izvedbe: |
|
| |
Omatalica sa transportnim valjcima, za palete koje dolaze konvejerom na omatanje. |
|
Omatalica za zamatanje stretch folije oko proizvoda kao što su vrata ili prozori. |
|
 |
| |
Strojevi za omatanje stretch folije sa pokretnim stolom |
| |
Tip: Automatska omatalica pakiraka |
| |
Kod: Technoplat CS 307 FR |
| |
Potpuno automatska omatalica |
| |
Max. težina palete: 2000kg |
| |
Max. visina (sa paletom) omatanja : 2200 mm |
| |
Max. dimenzije: 1200 x 1000 mm |
| |
Brzina vrtnje: od 4 do 12 okr. / min |
| |
Zatezanje stretch folije: elektro-mehanička kočnica (FR) |
| |
Napajanje: 230V 1Ph 50/60 Hz |
| |
Instalirana snaga: 2.0 kW |
| |
Standardna oprema: mekani start, daljinsko upravljanje, kontrola natezanja folije, automatsko rezanje i postavljanje folije. |
| |
Sustav za natezanje, rezanje i širenje folije: |
| |
 |
|
 |
| |
Karakteristike role stretch folije: |
| |
Max.vanjske dimenzije (dijametar): 300 mm |
| |
Visina role: 500 mm (opcija 750 mm) |
| |
Debljina folije: 17-35 µm |
| |
Unutrašnji promjer (dijametar): 76 mm |
| |
Max. težina role stretch folije: 20 kg |
| |
|
| |
 |
Preuzmite katalog > Omatalica technoplat |
|
|
| |
Opcije: |
| |
FR - Zatezanje folije elektro-mehaničkom kočnicom |
| |
PDS – Držač role sa dvostrukim nateznim sustavom / prednatezanje folije 0-250% |
| |
PVS – dva motora prednatezanja elektronski upravljana / prednatezanje folije 0-300% |
| |
Izvedbe: |
| |
Pakirka za pakirnu stanicu. |
|
Omatalica sa rotirajućom rukom. Primjenjuje se kod vrlo osjetljivih i nestabilnih paleta. |
|
| |
 |
Preuzmite katalog > Omatalica technoplat 3000 |
|
|
 |
Preuzmite katalog > Omatalica rotowrap |
|
|
2 > Horizontalne omatalice ili pakirke
| |
 |
Preuzmite katalog > Omatalica ručna |
|
|
 |
Preuzmite katalog > Omatalica poluautomatska |
|
|
3 > Strojevi za termopakiranje
 |
| |
Strojevi za pakiranje termosakupljajućom folijom |
| |
Tip: Stroj za termopakiranje |
| |
Kod: MICRA M |
| |
Dimenzije prostora za pakiranje: 540x390 mm |
| |
Max. visina pakiranja: 300 mm |
| |
Napajanje: 230V 1Ph 50/60 Hz |
| |
Instalirana snaga: 3.15 kW |
| |
Max. radna visina (sa nogama): 920 mm |
| |
|
| |
Karakteristike svitka stretch folije: |
| |
Max. vanjski promjer / unutarnji: 250 mm / 76 mm |
| |
Visina svitka: 600 mm |
| |
|
| |
Opcija: Model MICRA L |
| |
|
| |
 |
Preuzmite katalog > Pakirka za termoskupljajuću foliju |
|
|
4 >Strojevi za lijepljenje i formiranje kartonskih kutija
 |
| |
Strojevi za lijepljenje i formiranje kartonskih kutija |
| |
Tip: Stroj za lijepljenje kartonskih kutija |
| |
Kod: STARTAPE M |
| |
|
| |
 |
Preuzmite katalog > Ljepljenje i formiranje kartonskih kutija |
|
| |
|
| |
|
| |
|
| |
|
| |
|
| |
|
| |
|
| |
|
| |
|
| |
|
| |
|
|
| STARTAPE CF |
STARTAPE TBD |
STARTAPE TBDA |
SUPERBOX |
| |
 |
Preuzmite katalog > Superbox |
|
|